Facebook Instagram YouTube
ooTel: 01/ 56-44-770 iii.PROIZVODI
 

 

 

 

 

 

 

 

 

 

 

oPRESEKAR,
oServisna oprema, d.o.o.
oŠpruha 42
oSI-1236 Trzin, Slovenija

oTel: 01/56-44-770
oFax: 01/56-44-772
oGsm: 041-638-609

oprodaja@presekar.com
oaleksander.presekar@presekar.com

 

VSA OPREMA ZA MAZIVA | Oprema za nova olja | Oprema za odpadna olja | Oprema za maziva | Oprema za čiščenje
Oprema za tovorni program | Diesel oprema | Motovila | Oprema za prezračevanje zavornih sistemov | Posebna oprema



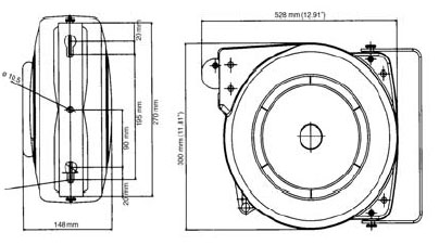
Električno motovilo - 1731.E3
Apac




Tehnični podatki:
Model
.E3
Tip
HO5RN-F
N
2
Dolžina cevi
15 m
Napetost
230 V
Moč
60 W
Teža (kg)
6,3
Led
60

Električno motovilo
Nacrt


<< prejšnja stran
........................................................................................naslednja stran>>.
VSA OPREMA ZA MAZIVA | Motovila
..


1