Facebook Instagram YouTube
ooTel: 01/ 56-44-770 iii.PROIZVODI
 

 

 

 

 

 

 

 

 

 

 

oPRESEKAR,
oServisna oprema, d.o.o.
oŠpruha 42
oSI-1236 Trzin, Slovenija

oTel: 01/56-44-770
oFax: 01/56-44-772
oGsm: 041-638-609

oprodaja@presekar.com
oaleksander.presekar@presekar.com

 

VSA OPREMA ZA MAZIVA | Oprema za nova olja | Oprema za odpadna olja | Oprema za maziva | Oprema za čiščenje
Oprema za tovorni program | Diesel oprema | Motovila | Oprema za prezračevanje zavornih sistemov | Posebna oprema


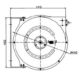
Zaprto motovilo zrak/voda - 1731.C4N
Apac



Tehnični podatki:
Model
C4N
Premer (mm)
10x14,5 PVC
Vhod
1/4"NPT
Izhod
3/8"
Dolžina cevi
15 +1 m
Pritisk (bar)
16
Temperatura
60°C
Teža (kg)
11

Nacrt
Zaprto motovilo zrak/voda 


<< prejšnja stran
........................................................................................naslednja stran>>.
VSA OPREMA ZA MAZIVA | Motovila


1